Beguiled and demoralized by the charms of pleasure of the moment, so by desire,
that they cannot foresee.
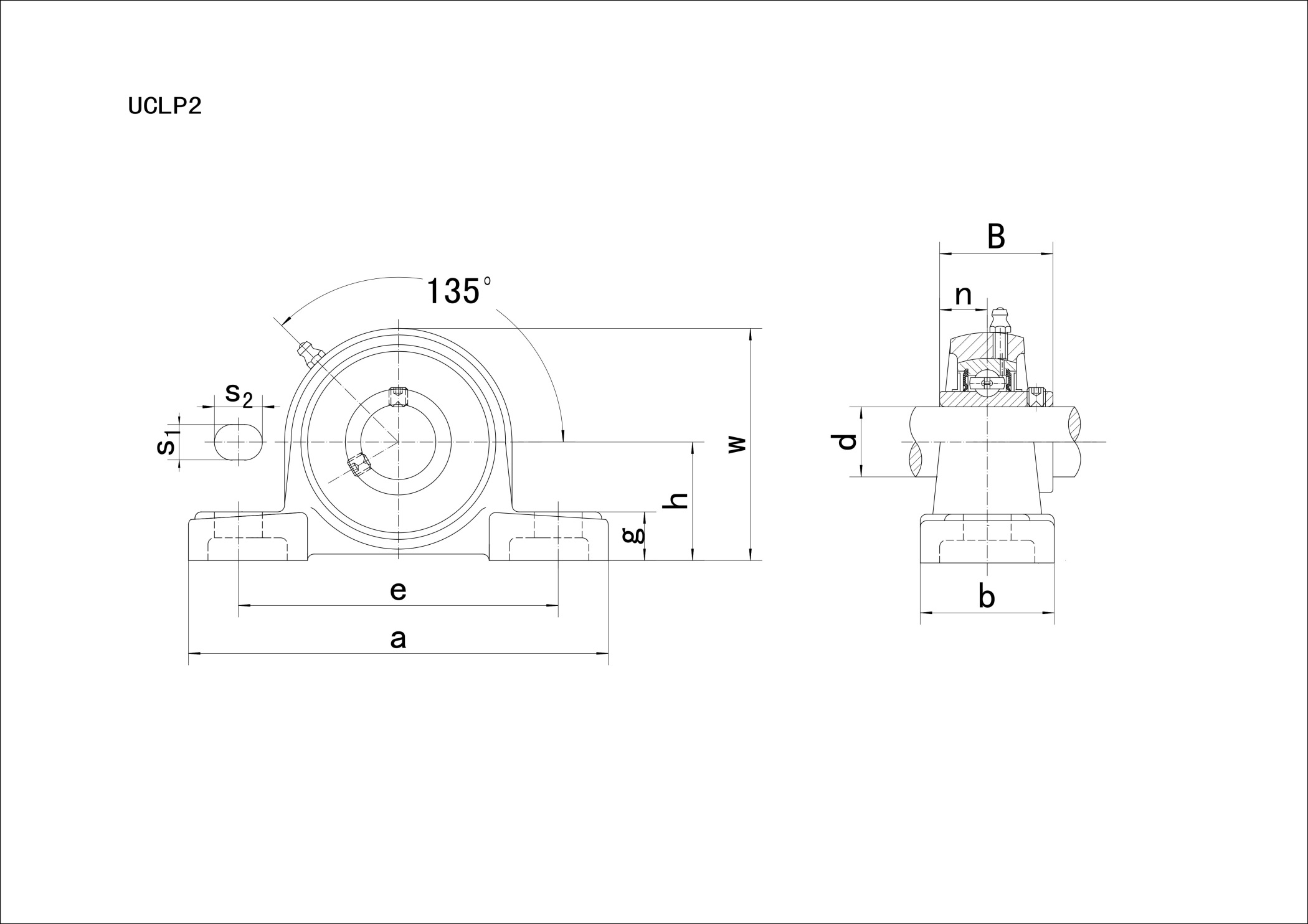
| Unit NO. | Dimensions ( mm / in. ) | Bolt Size mm/in. | Bearing No. | Housing No. | Weight (kg) | ||||||||||
|---|---|---|---|---|---|---|---|---|---|---|---|---|---|---|---|
| d | h | a | e | b | s1 | s2 | g | w | B | n | |||||
| UCLP201 | 12 | 31.75 | 127 | 95 | 38 | 13 | 16 | 14 | 64 | 31 | 12.7 | M10 | UC201 | LP201 | 0.69 |
| UCLP201-8 | 1/2 | 1-1/4 | 5 | 3-3/4 | 1-1/2 | 1/2 | 5/8 | 9/16 | 2-33/64 | 1.2205 | 0.500 | 3/8 | UC201-8 | LP201 | 0.68 |
| UCLP202 | 15 | 31.75 | 127 | 95 | 38 | 13 | 16 | 14 | 64 | 31 | 12.7 | M10 | UC202 | LP202 | 0.68 |
| UCLP202-9 | 9/16 | 1-1/4 | 5 | 3-3/4 | 1-1/2 | 1/2 | 5/8 | 9/16 | 2-33/64 | 1.2205 | 0.500 | 3/8 | UC202-9 | LP202 | 0.68 |
| UCLP202-10 | 5/8 | 1-1/4 | 5 | 3-3/4 | 1-1/2 | 1/2 | 5/8 | 9/16 | 2-33/64 | 1.2205 | 0.500 | 3/8 | UC202-10 | LP202 | 0.68 |
| UCLP203 | 17 | 31.75 | 127 | 95 | 38 | 13 | 16 | 14 | 64 | 31 | 12.7 | M10 | UC203 | LP203 | 0.67 |
| UCLP203-11 | 11/16 | 1-1/4 | 5 | 3-3/4 | 1-1/2 | 1/2 | 5/8 | 9/16 | 2-33/64 | 1.2205 | 0.500 | 3/8 | UC203-11 | LP203 | 0.66 |
| UCLP204 | 20 | 31.75 | 127 | 95 | 38 | 13 | 16 | 14 | 64 | 31 | 12.7 | M10 | UC204 | LP204 | 0.65 |
| UCLP204-12 | 3/4 | 1-1/4 | 5 | 3-3/4 | 1-1/2 | 1/2 | 5/8 | 9/16 | 2-33/64 | 1.2205 | 0.500 | 3/8 | UC204-12 | LP204 | 0.65 |
| UCLP205 | 25 | 33.34 | 140 | 105 | 38 | 13 | 16 | 15 | 68 | 34.1 | 14.3 | M10 | UC205 | LP205 | 0.74 |
| UCLP205-13 | 13/16 | 1-5/16 | 5-1/2 | 4-1/8 | 1-1/2 | 1/2 | 5/8 | 19/32 | 2-43/64 | 1.3425 | 0.563 | 3/8 | UC205-13 | LP205 | 0.78 |
| UCLP205-14 | 7/8 | 1-5/16 | 5-1/2 | 4-1/8 | 1-1/2 | 1/2 | 5/8 | 19/32 | 2-43/64 | 1.3425 | 0.563 | 3/8 | UC205-14 | LP205 | 0.77 |
| UCLP205-15 | 15/16 | 1-5/16 | 5-1/2 | 4-1/8 | 1-1/2 | 1/2 | 5/8 | 19/32 | 2-43/64 | 1.3425 | 0.563 | 3/8 | UC205-15 | LP205 | 0.75 |
| UCLP205-16 | 1 | 1-5/16 | 5-1/2 | 4-1/8 | 1-1/2 | 1/2 | 5/8 | 19/32 | 2-43/64 | 1.3425 | 0.563 | 3/8 | UC205-16 | LP205 | 0.74 |
| UCLP206 | 30 | 39.69 | 160 | 121 | 44 | 17 | 20 | 17 | 80 | 38.1 | 15.9 | M14 | UC206 | LP206 | 1.11 |
| UCLP206-17 | 1-1/16 | 1-9/16 | 6-19/64 | 4-3/4 | 1-47/64 | 43/64 | 25/32 | 21/32 | 3-5/32 | 1.5000 | 0.626 | 1/2 | UC206-17 | LP206 | 1.12 |
| UCLP206-18 | 1-1/8 | 1-9/16 | 6-19/64 | 4-3/4 | 1-47/64 | 43/64 | 25/32 | 21/32 | 3-5/32 | 1.5000 | 0.626 | 1/2 | UC206-18 | LP206 | 1.13 |
| UCLP206-19 | 1-3/16 | 1-9/16 | 6-19/64 | 4-3/4 | 1-47/64 | 43/64 | 25/32 | 21/32 | 3-5/32 | 1.5000 | 0.626 | 1/2 | UC206-19 | LP206 | 1.11 |
| UCLP206-20 | 1-1/4 | 1-9/16 | 6-19/64 | 4-3/4 | 1-47/64 | 43/64 | 25/32 | 21/32 | 3-5/32 | 1.5000 | 0.626 | 1/2 | UC206-20 | LP206 | 1.1 |
| UCLP207 | 35 | 46.04 | 167 | 127 | 48 | 17 | 20 | 18 | 91 | 42.9 | 17.5 | M14 | UC207 | LP207 | 1.42 |
| UCLP207-20 | 1-1/4 | 1-13/16 | 6-9/16 | 5 | 1-7/8 | 43/64 | 25/32 | 45/64 | 3-37/64 | 1.6890 | 0.689 | 1/2 | UC207-20 | LP207 | 1.48 |
| UCLP207-21 | 1-5/16 | 1-13/16 | 6-9/16 | 5 | 1-7/8 | 43/64 | 25/32 | 45/64 | 3-37/64 | 1.6890 | 0.689 | 1/2 | UC207-21 | LP207 | 1.45 |
| UCLP207-22 | 1-3/8 | 1-13/16 | 6-9/16 | 5 | 1-7/8 | 43/64 | 25/32 | 45/64 | 3-37/64 | 1.6890 | 0.689 | 1/2 | UC207-22 | LP207 | 1.42 |
| UCLP207-23 | 1-7/16 | 1-13/16 | 6-9/16 | 5 | 1-7/8 | 43/64 | 25/32 | 45/64 | 3-37/64 | 1.6890 | 0.689 | 1/2 | UC207-23 | LP207 | 1.39 |
| UCLP208 | 40 | 49.2 | 184 | 137 | 54 | 17 | 20 | 18 | 100 | 49.2 | 19 | M14 | UC208 | LP208 | 1.87 |
| UCLP208-24 | 1-1/2 | 1-15/16 | 7-1/4 | 5-13/32 | 2-1/8 | 43/64 | 25/32 | 45/64 | 3-15/16 | 1.9370 | 0.748 | 1/2 | UC208-24 | LP208 | 1.91 |
| UCLP208-25 | 1-9/16 | 1-15/16 | 7-1/4 | 5-13/32 | 2-1/8 | 43/64 | 25/32 | 45/64 | 3-15/16 | 1.9370 | 0.748 | 1/2 | UC208-25 | LP208 | 1.88 |
| UCLP209 | 45 | 52.39 | 190 | 146 | 54 | 17 | 20 | 20 | 104 | 49.2 | 19 | M14 | UC209 | LP209 | 2.03 |
| UCLP209-26 | 1-5/8 | 2-1/16 | 7-15/32 | 5-3/4 | 2-1/8 | 43/64 | 25/32 | 25/32 | 4-3/32 | 1.9370 | 0.748 | 1/2 | UC209-26 | LP209 | 2.13 |
| UCLP209-27 | 1-11/16 | 2-1/16 | 7-15/32 | 5-3/4 | 2-1/8 | 43/64 | 25/32 | 25/32 | 4-3/32 | 1.9370 | 0.748 | 1/2 | UC209-27 | LP209 | 2.09 |
| UCLP209-28 | 1-3/4 | 2-1/16 | 7-15/32 | 5-3/4 | 2-1/8 | 43/64 | 25/32 | 25/32 | 4-3/32 | 1.9370 | 0.748 | 1/2 | UC209-28 | LP209 | 2.05 |
| UCLP210 | 50 | 55.56 | 206 | 159 | 60 | 20 | 23 | 21 | 112 | 51.6 | 19 | M16 | UC210 | LP210 | 2.6 |
| UCLP210-29 | 1-13/16 | 2-3/16 | 8-1/8 | 6-1/4 | 2-3/8 | 25/32 | 29/32 | 53/64 | 4-13/32 | 2.0315 | 0.748 | 5/8 | UC210-29 | LP210 | 2.72 |
| UCLP210-30 | 1-7/8 | 2-3/16 | 8-1/8 | 6-1/4 | 2-3/8 | 25/32 | 29/32 | 53/64 | 4-13/32 | 2.0315 | 0.748 | 5/8 | UC210-30 | LP210 | 2.67 |
| UCLP210-31 | 1-15/16 | 2-3/16 | 8-1/8 | 6-1/4 | 2-3/8 | 25/32 | 29/32 | 53/64 | 4-13/32 | 2.0315 | 0.748 | 5/8 | UC210-31 | LP210 | 2.62 |
| UCLP210-32 | 2 | 2-3/16 | 8-1/8 | 6-1/4 | 2-3/8 | 25/32 | 29/32 | 53/64 | 4-13/32 | 2.0315 | 0.748 | 5/8 | UC210-32 | LP210 | 2.58 |
| UCLP211 | 55 | 61.91 | 219 | 171 | 60 | 20 | 23 | 23 | 124 | 55.6 | 22.2 | M16 | UC211 | LP211 | 3.22 |
| UCLP211-32 | 2 | 2-7/16 | 8-5/8 | 6-47/64 | 2-3/8 | 25/32 | 29/32 | 29/32 | 4-7/8 | 2.1890 | 0.874 | 5/8 | UC211-32 | LP211 | 3.37 |
| UCLP211-33 | 2-1/16 | 2-7/16 | 8-5/8 | 6-47/64 | 2-3/8 | 25/32 | 29/32 | 29/32 | 4-7/8 | 2.1890 | 0.874 | 5/8 | UC211-33 | LP211 | 3.31 |
| UCLP211-34 | 2-1/8 | 2-7/16 | 8-5/8 | 6-47/64 | 2-3/8 | 25/32 | 29/32 | 29/32 | 4-7/8 | 2.1890 | 0.874 | 5/8 | UC211-34 | LP211 | 3.27 |
| UCLP211-35 | 2-3/16 | 2-7/16 | 8-5/8 | 6-47/64 | 2-3/8 | 25/32 | 29/32 | 29/32 | 4-7/8 | 2.1890 | 0.874 | 5/8 | UC211-35 | LP211 | 3.2 |
| UCLP212 | 60 | 68.26 | 241 | 184 | 70 | 20 | 23 | 25 | 136 | 65.1 | 25.4 | M16 | UC212 | LP212 | 4.39 |
| UCLP212-36 | 2-1/4 | 2-11/16 | 9-1/2 | 7-1/4 | 2-3/4 | 25/32 | 29/32 | 63/64 | 5-23/64 | 2.5630 | 1.000 | 5/8 | UC212-36 | LP212 | 4.52 |
| UCLP212-37 | 2-5/16 | 2-11/16 | 9-1/2 | 7-1/4 | 2-3/4 | 25/32 | 29/32 | 63/64 | 5-23/64 | 2.5630 | 1.000 | 5/8 | UC212-37 | LP212 | 4.44 |
| UCLP212-38 | 2-3/8 | 2-11/16 | 9-1/2 | 7-1/4 | 2-3/4 | 25/32 | 29/32 | 63/64 | 5-23/64 | 2.5630 | 1.000 | 5/8 | UC212-38 | LP212 | 4.37 |
| UCLP212-39 | 2-7/16 | 2-11/16 | 9-1/2 | 7-1/4 | 2-3/4 | 25/32 | 29/32 | 63/64 | 5-23/64 | 2.5630 | 1.000 | 5/8 | UC212-39 | LP212 | 4.3 |