Beguiled and demoralized by the charms of pleasure of the moment, so by desire,
that they cannot foresee.
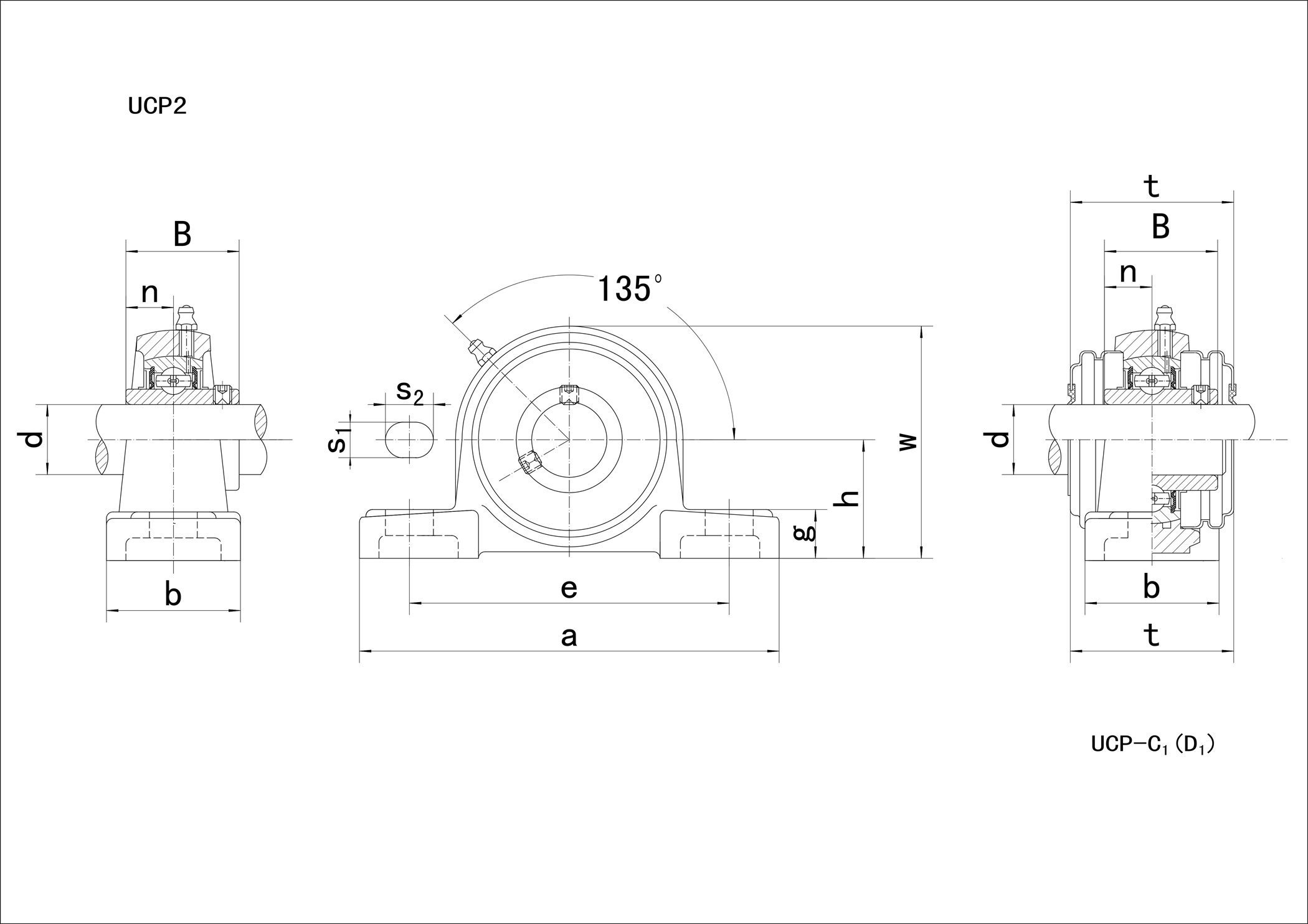
| Unit NO. | Dimensions ( mm / in. ) | Bolt Size mm/in. | Bearing No. | Housing No. | Weight (kg) | ||||||||||||
|---|---|---|---|---|---|---|---|---|---|---|---|---|---|---|---|---|---|
| d | h | a | e | b | s1 | s2 | g | w | t | B | n | ||||||
| UCP201 | 12 | 30.2 | 127 | 95 | 38 | 13 | 19 | 14 | 62 | 44.5 | 31 | 12.7 | M10 | UC201 | P201 | 0.65 | |
| UCP201-8 | 1/2 | 1-3/16 | 5 | 3-3/4 | 1-1/2 | 1/2 | 3/4 | 9/16 | 2-7/16 | 1-3/4 | 1.2205 | 0.500 | 3/8 | UC201-8 | P201 | 0.64 | |
| UCP202 | 15 | 30.2 | 127 | 95 | 38 | 13 | 19 | 14 | 62 | 44.5 | 31 | 12.7 | M10 | UC202 | P202 | 0.64 | |
| UCP202-9 | 9/16 | 1-3/16 | 5 | 3-3/4 | 1-1/2 | 1/2 | 3/4 | 9/16 | 2-7/16 | 1-3/4 | 1.2205 | 0.500 | 3/8 | UC202-9 | P202 | 0.64 | |
| UCP202-10 | 5/8 | 1-3/16 | 5 | 3-3/4 | 1-1/2 | 1/2 | 3/4 | 9/16 | 2-7/16 | 1-3/4 | 1.2205 | 0.500 | 3/8 | UC202-10 | P202 | 0.64 | |
| UCP203 | 17 | 30.2 | 127 | 95 | 38 | 13 | 19 | 14 | 62 | 44.5 | 31 | 12.7 | M10 | UC203 | P203 | 0.63 | |
| UCP203-11 | 11/16 | 1-3/16 | 5 | 3-3/4 | 1-1/2 | 1/2 | 3/4 | 9/16 | 2-7/16 | 1-3/4 | 1.2205 | 0.500 | 3/8 | UC203-11 | P203 | 0.62 | |
| UCP204 | 20 | 33.3 | 127 | 95 | 38 | 13 | 19 | 14 | 65 | 44.5 | 31 | 12.7 | M10 | UC204 | P204 | 0.64 | |
| UCP204-12 | 3/4 | 1-5/16 | 5 | 3-3/4 | 1-1/2 | 1/2 | 3/4 | 9/16 | 2-9/16 | 1-3/4 | 1.2205 | 0.500 | 3/8 | UC204-12 | P204 | 0.64 | |
| UCP205 | 25 | 36.5 | 140 | 105 | 38 | 13 | 19 | 15 | 71 | 48 | 34.1 | 14.3 | M10 | UC205 | P205 | 0.76 | |
| UCP205-13 | 13/16 | 1-7/16 | 5-1/2 | 4-1/8 | 1-1/2 | 1/2 | 3/4 | 19/32 | 2-25/32 | 1-57/64 | 1.3425 | 0.563 | 3/8 | UC205-13 | P205 | 0.8 | |
| UCP205-14 | 7/8 | 1-7/16 | 5-1/2 | 4-1/8 | 1-1/2 | 1/2 | 3/4 | 19/32 | 2-25/32 | 1-57/64 | 1.3425 | 0.563 | 3/8 | UC205-14 | P205 | 0.79 | |
| UCP205-15 | 15/16 | 1-7/16 | 5-1/2 | 4-1/8 | 1-1/2 | 1/2 | 3/4 | 19/32 | 2-25/32 | 1-57/64 | 1.3425 | 0.563 | 3/8 | UC205-15 | P205 | 0.77 | |
| UCP205-16 | 1 | 1-7/16 | 5-1/2 | 4-1/8 | 1-1/2 | 1/2 | 3/4 | 19/32 | 2-25/32 | 1-57/64 | 1.3425 | 0.563 | 3/8 | UC205-16 | P205 | 0.76 | |
| UCP206 | 30 | 42.9 | 160 | 121 | 44 | 17 | 20 | 17 | 84 | 53 | 38.1 | 15.9 | M14 | UC206 | P206 | 1.2 | |
| UCP206-17 | 1-1/16 | 1-11/16 | 6-19/64 | 4-3/4 | 1-47/64 | 43/64 | 25/32 | 21/32 | 3-5/16 | 2-5/64 | 1.5000 | 0.626 | 1/2 | UC206-17 | P206 | 1.21 | |
| UCP206-18 | 1-1/8 | 1-11/16 | 6-19/64 | 4-3/4 | 1-47/64 | 43/64 | 25/32 | 21/32 | 3-5/16 | 2-5/64 | 1.5000 | 0.626 | 1/2 | UC206-18 | P206 | 1.22 | |
| UCP206-19 | 1-3/16 | 1-11/16 | 6-19/64 | 4-3/4 | 1-47/64 | 43/64 | 25/32 | 21/32 | 3-5/16 | 2-5/64 | 1.5000 | 0.626 | 1/2 | UC206-19 | P206 | 1.2 | |
| UCP206-20 | 1-1/4 | 1-11/16 | 6-19/64 | 4-3/4 | 1-47/64 | 43/64 | 25/32 | 21/32 | 3-5/16 | 2-5/64 | 1.5000 | 0.626 | 1/2 | UC206-20 | P206 | 1.19 | |
| UCP207 | 35 | 47.6 | 167 | 127 | 48 | 17 | 20 | 18 | 93 | 59.5 | 42.9 | 17.5 | M14 | UC207 | P207 | 1.46 | |
| UCP207-20 | 1-1/4 | 1-7/8 | 6-9/16 | 5 | 1-7/8 | 43/64 | 25/32 | 45/64 | 3-21/32 | 2-11/32 | 1.6890 | 0.689 | 1/2 | UC207-20 | P207 | 1.53 | |
| UCP207-21 | 1-5/16 | 1-7/8 | 6-9/16 | 5 | 1-7/8 | 43/64 | 25/32 | 45/64 | 3-21/32 | 2-11/32 | 1.6890 | 0.689 | 1/2 | UC207-21 | P207 | 1.5 | |
| UCP207-22 | 1-3/8 | 1-7/8 | 6-9/16 | 5 | 1-7/8 | 43/64 | 25/32 | 45/64 | 3-21/32 | 2-11/32 | 1.6890 | 0.689 | 1/2 | UC207-22 | P207 | 1.47 | |
| UCP207-23 | 1-7/16 | 1-7/8 | 6-9/16 | 5 | 1-7/8 | 43/64 | 25/32 | 45/64 | 3-21/32 | 2-11/32 | 1.6890 | 0.689 | 1/2 | UC207-23 | P207 | 1.44 | |
| UCP208 | 40 | 49.2 | 184 | 137 | 54 | 17 | 20 | 18 | 100 | 69 | 49.2 | 19 | M14 | UC208 | P208 | 1.86 | |
| UCP208-24 | 1-1/2 | 1-15/16 | 7-1/4 | 5-13/32 | 2-1/8 | 43/64 | 25/32 | 45/64 | 3-15/16 | 2-23/32 | 1.9370 | 0.748 | 1/2 | UC208-24 | P208 | 1.9 | |
| UCP208-25 | 1-9/16 | 1-15/16 | 7-1/4 | 5-13/32 | 2-1/8 | 43/64 | 25/32 | 45/64 | 3-15/16 | 2-23/32 | 1.9370 | 0.748 | 1/2 | UC208-25 | P208 | 1.87 | |
| UCP209 | 45 | 54 | 190 | 146 | 54 | 17 | 20 | 20 | 106 | 69 | 49.2 | 19 | M14 | UC209 | P209 | 2.06 | |
| UCP209-26 | 1-5/8 | 2-1/8 | 7-15/32 | 5-3/4 | 2-1/8 | 43/64 | 25/32 | 25/32 | 4-11/64 | 2-23/32 | 1.9370 | 0.748 | 1/2 | UC209-26 | P209 | 2.16 | |
| UCP209-27 | 1-11/16 | 2-1/8 | 7-15/32 | 5-3/4 | 2-1/8 | 43/64 | 25/32 | 25/32 | 4-11/64 | 2-23/32 | 1.9370 | 0.748 | 1/2 | UC209-27 | P209 | 2.12 | |
| UCP209-28 | 1-3/4 | 2-1/8 | 7-15/32 | 5-3/4 | 2-1/8 | 43/64 | 25/32 | 25/32 | 4-11/64 | 2-23/32 | 1.9370 | 0.748 | 1/2 | UC209-28 | P209 | 2.08 | |
| UCP210 | 50 | 57.2 | 206 | 159 | 60 | 20 | 23 | 21 | 113 | 74.5 | 51.6 | 19 | M16 | UC210 | P210 | 2.61 | |
| UCP210-29 | 1-13/16 | 2-1/4 | 8-1/8 | 6-1/4 | 2-3/8 | 25/32 | 29/32 | 53/64 | 4-29/64 | 2-15/16 | 2.0315 | 0.748 | 5/8 | UC210-29 | P210 | 2.73 | |
| UCP210-30 | 1-7/8 | 2-1/4 | 8-1/8 | 6-1/4 | 2-3/8 | 25/32 | 29/32 | 53/64 | 4-29/64 | 2-15/16 | 2.0315 | 0.748 | 5/8 | UC210-30 | P210 | 2.68 | |
| UCP210-31 | 1-15/16 | 2-1/4 | 8-1/8 | 6-1/4 | 2-3/8 | 25/32 | 29/32 | 53/64 | 4-29/64 | 2-15/16 | 2.0315 | 0.748 | 5/8 | UC210-31 | P210 | 2.63 | |
| UCP210-32 | 2 | 2-1/4 | 8-1/8 | 6-1/4 | 2-3/8 | 25/32 | 29/32 | 53/64 | 4-29/64 | 2-15/16 | 2.0315 | 0.748 | 5/8 | UC210-32 | P210 | 2.59 | |
| UCP211 | 55 | 63.5 | 219 | 171 | 60 | 20 | 23 | 23 | 125 | 76 | 55.6 | 22.2 | M16 | UC211 | P211 | 3.23 | |
| UCP211-32 | 2 | 2-1/2 | 8-5/8 | 6-47/64 | 2-3/8 | 25/32 | 29/32 | 29/32 | 4-59/64 | 3 | 2.1890 | 0.874 | 5/8 | UC211-32 | P211 | 3.38 | |
| UCP211-33 | 2-1/16 | 2-1/2 | 8-5/8 | 6-47/64 | 2-3/8 | 25/32 | 29/32 | 29/32 | 4-59/64 | 3 | 2.1890 | 0.874 | 5/8 | UC211-33 | P211 | 3.32 | |
| UCP211-34 | 2-1/8 | 2-1/2 | 8-5/8 | 6-47/64 | 2-3/8 | 25/32 | 29/32 | 29/32 | 4-59/64 | 3 | 2.1890 | 0.874 | 5/8 | UC211-34 | P211 | 3.28 | |
| UCP211-35 | 2-3/16 | 2-1/2 | 8-5/8 | 6-47/64 | 2-3/8 | 25/32 | 29/32 | 29/32 | 4-59/64 | 3 | 2.1890 | 0.874 | 5/8 | UC211-35 | P211 | 3.21 | |
| UCP212 | 60 | 69.8 | 241 | 184 | 70 | 20 | 23 | 25 | 138 | 89 | 65.1 | 25.4 | M16 | UC212 | P212 | 4.4 | |
| UCP212-36 | 2-1/4 | 2-3/4 | 9-1/2 | 7-1/4 | 2-3/4 | 25/32 | 29/32 | 63/64 | 5-7/16 | 3-1/2 | 2.5630 | 1.000 | 5/8 | UC212-36 | P212 | 4.57 | |
| UCP212-37 | 2-5/16 | 2-3/4 | 9-1/2 | 7-1/4 | 2-3/4 | 25/32 | 29/32 | 63/64 | 5-7/16 | 3-1/2 | 2.5630 | 1.000 | 5/8 | UC212-37 | P212 | 4.49 | |
| UCP212-38 | 2-3/8 | 2-3/4 | 9-1/2 | 7-1/4 | 2-3/4 | 25/32 | 29/32 | 63/64 | 5-7/16 | 3-1/2 | 2.5630 | 1.000 | 5/8 | UC212-38 | P212 | 4.42 | |
| UCP212-39 | 2-7/16 | 2-3/4 | 9-1/2 | 7-1/4 | 2-3/4 | 25/32 | 29/32 | 63/64 | 5-7/16 | 3-1/2 | 2.5630 | 1.000 | 5/8 | UC212-39 | P212 | 4.35 | |
| UCP213 | 65 | 76.2 | 265 | 203 | 70 | 25 | 28 | 27 | 150 | 89 | 65.1 | 25.4 | M20 | UC213 | P213 | 5.35 | |
| UCP213-40 | 2-1/2 | 3 | 10-7/16 | 8 | 2-3/4 | 63/64 | 1-3/32 | 1-1/16 | 5-29/32 | 3-1/2 | 2.5630 | 1.000 | 3/4 | UC213-40 | P213 | 5.44 | |
| UCP213-41 | 2-9/16 | 3 | 10-7/16 | 8 | 2-3/4 | 63/64 | 1-3/32 | 1-1/16 | 5-29/32 | 3-1/2 | 2.5630 | 1.000 | 3/4 | UC213-41 | P213 | 5.35 | |
| UCP214 | 70 | 79.4 | 266 | 210 | 72 | 25 | 28 | 27 | 156 | 98 | 74.6 | 30.2 | M20 | UC214 | P214 | 5.86 | |
| UCP214-42 | 2-5/8 | 3-1/8 | 10-15/32 | 8-17/64 | 2-27/32 | 63/64 | 1-3/32 | 1-1/16 | 6-9/64 | 3-55/64 | 2.9370 | 1.189 | 3/4 | UC214-42 | P214 | 6.07 | |
| UCP214-43 | 2-11/16 | 3-1/8 | 10-15/32 | 8-17/64 | 2-27/32 | 63/64 | 1-3/32 | 1-1/16 | 6-9/64 | 3-55/64 | 2.9370 | 1.189 | 3/4 | UC214-43 | P214 | 5.97 | |
| UCP214-44 | 2-3/4 | 3-1/8 | 10-15/32 | 8-17/64 | 2-27/32 | 63/64 | 1-3/32 | 1-1/16 | 6-9/64 | 3-55/64 | 2.9370 | 1.189 | 3/4 | UC214-44 | P214 | 5.87 | |
| UCP215 | 75 | 82.6 | 275 | 217 | 74 | 25 | 28 | 28 | 162 | 99 | 77.8 | 33.3 | M20 | UC215 | P215 | 6.45 | |
| UCP215-45 | 2-13/16 | 3-1/4 | 10-53/64 | 8-35/64 | 2-29/32 | 63/64 | 1-3/32 | 1-3/32 | 6-3/8 | 3-57/64 | 3.0630 | 1.311 | 3/4 | UC215-45 | P215 | 6.45 | |
| UCP215-46 | 2-7/8 | 3-1/4 | 10-53/64 | 8-35/64 | 2-29/32 | 63/64 | 1-3/32 | 1-3/32 | 6-3/8 | 3-57/64 | 3.0630 | 1.311 | 3/4 | UC215-46 | P215 | 6.7 | |
| UCP215-47 | 2-15/16 | 3-1/4 | 10-53/64 | 8-35/64 | 2-29/32 | 63/64 | 1-3/32 | 1-3/32 | 6-3/8 | 3-57/64 | 3.0630 | 1.311 | 3/4 | UC215-47 | P215 | 6.59 | |
| UCP215-48 | 3 | 3-1/4 | 10-53/64 | 8-35/64 | 2-29/32 | 63/64 | 1-3/32 | 1-3/32 | 6-3/8 | 3-57/64 | 3.0630 | 1.311 | 3/4 | UC215-48 | P215 | 6.39 | |
| UCP216 | 80 | 88.9 | 292 | 232 | 78 | 25 | 28 | 30 | 174 | 109 | 82.6 | 33.3 | M20 | UC216 | P216 | 7.86 | |
| UCP216-49 | 3-1/16 | 3-1/2 | 11-1/2 | 9-1/8 | 3-1/16 | 63/64 | 1-3/32 | 1-3/16 | 6-27/32 | 4-19/64 | 3.2520 | 1.311 | 3/4 | UC216-49 | P216 | 8.04 | |
| UCP216-50 | 3-1/8 | 3-1/2 | 11-1/2 | 9-1/8 | 3-1/16 | 63/64 | 1-3/32 | 1-3/16 | 6-27/32 | 4-19/64 | 3.2520 | 1.311 | 3/4 | UC216-50 | P216 | 7.91 | |
| UCP216-51 | 3-3/16 | 3-1/2 | 11-1/2 | 9-1/8 | 3-1/16 | 63/64 | 1-3/32 | 1-3/16 | 6-27/32 | 4-19/64 | 3.2520 | 1.311 | 3/4 | UC216-51 | P216 | 7.78 | |
| UCP217 | 85 | 95.2 | 310 | 247 | 83 | 25 | 28 | 32 | 185 | 113.2 | 85.7 | 34.1 | M20 | UC217 | P217 | 9.56 | |
| UCP217-52 | 3-1/4 | 3-3/4 | 12-13/64 | 9-23/32 | 3-17/64 | 63/64 | 1-3/32 | 1-1/4 | 7-9/32 | 4-29/64 | 3.3740 | 1.343 | 3/4 | UC217-52 | P217 | 9.68 | |
| UCP217-53 | 3-5/16 | 3-3/4 | 12-13/64 | 9-23/32 | 3-17/64 | 63/64 | 1-3/32 | 1-1/4 | 7-9/32 | 4-29/64 | 3.3740 | 1.343 | 3/4 | UC217-53 | P217 | 9.64 | |
| UCP217-55 | 3-7/16 | 3-3/4 | 12-13/64 | 9-23/32 | 3-17/64 | 63/64 | 1-3/32 | 1-1/4 | 7-9/32 | 4-29/64 | 3.3740 | 1.343 | 3/4 | UC217-55 | P217 | 9.35 | |
| UCP218 | 90 | 101.6 | 327 | 262 | 88 | 27 | 30 | 33 | 198 | 123 | 96 | 39.7 | M22 | UC218 | P218 | 11.59 | |
| UCP218-56 | 3-1/2 | 4 | 12-7/8 | 10-5/16 | 3-15/32 | 1-1/16 | 1-3/16 | 1-19/64 | 7-51/64 | 4-27/32 | 3.7795 | 1.563 | 7/8 | UC218-56 | P218 | 11.7 | |
| UCP220 | 100 | 115 | 380 | 308 | 95 | 30 | 36 | 40 | 225 | 108 | 42 | M24 | UC220 | P220 | 16 | ||
| UCP220-64 | 4 | 4-17/32 | 14-61/64 | 12-1/8 | 3-47/64 | 1-3/16 | 1-27/64 | 1-37/64 | 8-55/64 | 4.2519 | 1.6535 | 15/16 | UC220-64 | P220 | 16 | ||