• 2423/1, Surekha Building, G.B Road, Delhi-110006 (India)
  • lvzbearing@gmail.com
  • +91 9810707040
  • Home
  • Products
    • Pillow Block
    • Ball Bearing
    • Sperical Roller Bearing
    • Tapper Bearing
    • Thrust Bearing
    • Industrial Roller Chain
  • Application
  • About
  • Contact
Quick Query

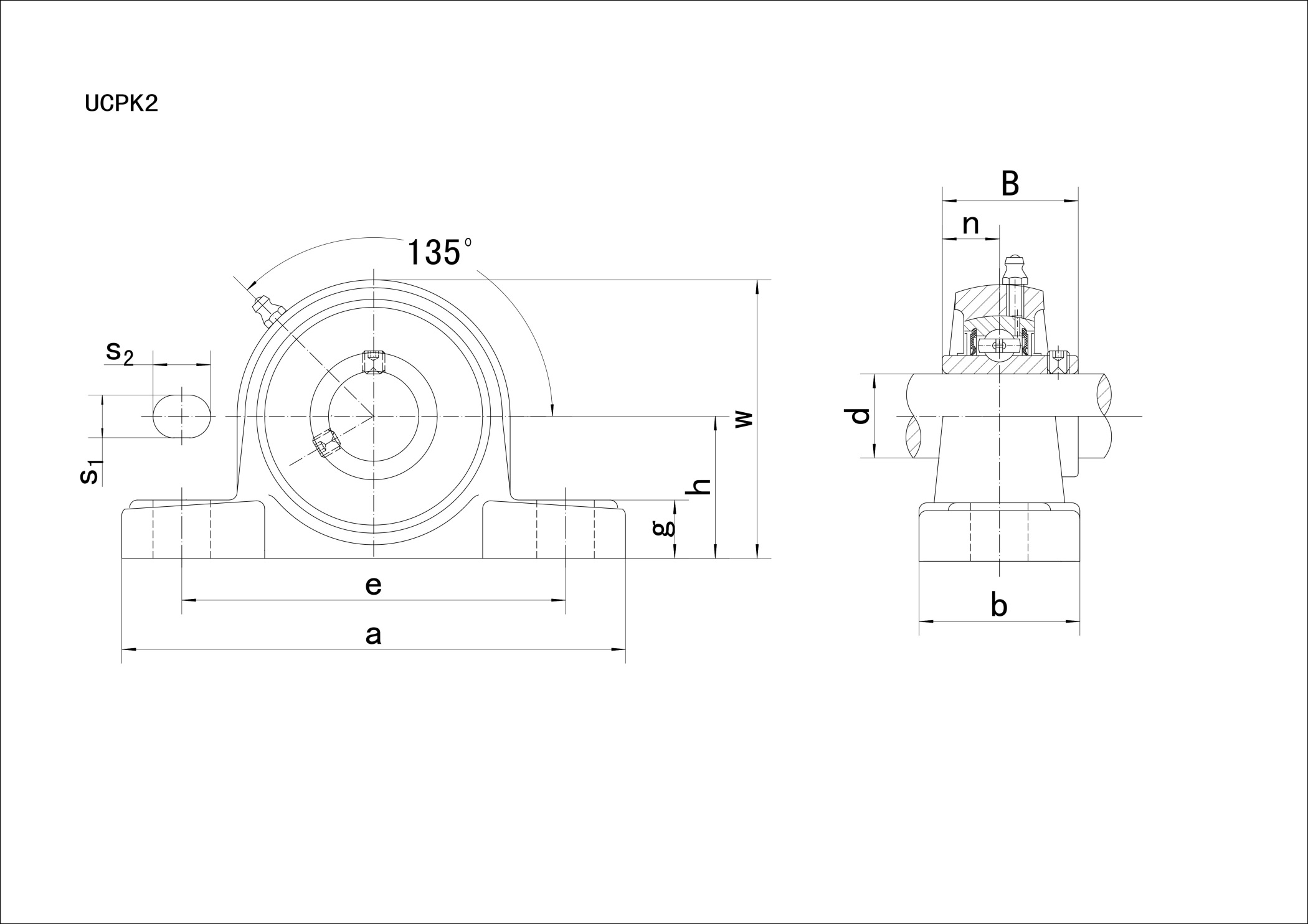
UCPK200

Unit NO.Dimensions ( mm / in. )Bolt Size mm/in.Bearing No.Housing No.Weight (kg)
dhaebs1s2gwBn
UCPK204 20 31.75 127 98 38 11 14 14 63 31 12.7 M10 UC204 PK204 0.68
UCPK204-12 3/4 1-1/4 5 3-55/64 1-1/2 7/16 9/16 9/16 2-31/64 1.2205 0.500 3/8 UC204-12 PK204 0.68
UCPK205 25 33.34 140 105 38 11 14 15 68 34.1 14.3 M10 UC205 PK205 0.82
UCPK205-13 13/16 1-5/16 5-33/64 4-9/64 1-1/2 7/16 9/16 19/32 2-43/64 1.3425 0.563 3/8 UC205-13 PK205 0.86
UCPK205-14 7/8 1-5/16 5-33/64 4-9/64 1-1/2 7/16 9/16 19/32 2-43/64 1.3425 0.563 3/8 UC205-14 PK205 0.85
UCPK205-15 15/16 1-5/16 5-33/64 4-9/64 1-1/2 7/16 9/16 19/32 2-43/64 1.3425 0.563 3/8 UC205-15 PK205 0.83
UCPK205-16 1 1-5/16 5-33/64 4-9/64 1-1/2 7/16 9/16 19/32 2-43/64 1.3425 0.563 3/8 UC205-16 PK205 0.82
UCPK206 30 39.69 160 121 44 14 19 17 80 38.1 15.9 M12 UC206 PK206 1.24
UCPK206-17 1-1/16 1-9/16 6-19/64 4-49/64 1-47/64 9/16 3/4 43/64 3-5/32 1.5000 0.626 7/16 UC206-17 PK206 1.25
UCPK206-18 1-1/8 1-9/16 6-19/64 4-49/64 1-47/64 9/16 3/4 43/64 3-5/32 1.5000 0.626 7/16 UC206-18 PK206 1.26
UCPK206-19 1-3/16 1-9/16 6-19/64 4-49/64 1-47/64 9/16 3/4 43/64 3-5/32 1.5000 0.626 7/16 UC206-19 PK206 1.24
UCPK206-20 1-1/4 1-9/16 6-19/64 4-49/64 1-47/64 9/16 3/4 43/64 3-5/32 1.5000 0.626 7/16 UC206-20 PK206 1.23
UCPK207 35 46.04 167 127 48 14 19 18 91 42.9 17.5 M12 UC207 PK207 1.6
UCPK207-20 1-1/4 1-13/16 6-37/64 5 1-57/64 9/16 3/4 45/64 3-37/64 1.6890 0.689 7/16 UC207-20 PK207 1.66
UCPK207-21 1-5/16 1-13/16 6-37/64 5 1-57/64 9/16 3/4 45/64 3-37/64 1.6890 0.689 7/16 UC207-21 PK207 1.63
UCPK207-22 1-3/8 1-13/16 6-37/64 5 1-57/64 9/16 3/4 45/64 3-37/64 1.6890 0.689 7/16 UC207-22 PK207 1.6
UCPK207-23 1-7/16 1-13/16 6-37/64 5 1-57/64 9/16 3/4 45/64 3-37/64 1.6890 0.689 7/16 UC207-23 PK207 1.57
UCPK208 40 49.2 181 140 52 14 19 18 100 49.2 19 M12 UC208 PK208 2.04
UCPK208-24 1-1/2 1-15/16 7-1/8 5-33/64 2-3/64 9/16 3/4 45/64 3-15/16 1.9370 0.748 7/16 UC208-24 PK208 2.08
UCPK208-25 1-9/16 1-15/16 7-1/8 5-33/64 2-3/64 9/16 3/4 45/64 3-15/16 1.9370 0.748 7/16 UC208-25 PK208 2.05
UCPK209 45 52.39 189 146 54 14 19 20 104 49.2 19 M12 UC209 PK209 2.25
UCPK209-26 1-5/8 2-1/16 7-7/16 5-3/4 2-1/8 9/16 3/4 25/32 4-3/32 1.9370 0.748 7/16 UC209-26 PK209 2.35
UCPK209-27 1-11/16 2-1/16 7-7/16 5-3/4 2-1/8 9/16 3/4 25/32 4-3/32 1.9370 0.748 7/16 UC209-27 PK209 2.31
UCPK209-28 1-3/4 2-1/16 7-7/16 5-3/4 2-1/8 9/16 3/4 25/32 4-3/32 1.9370 0.748 7/16 UC209-28 PK209 2.27
UCPK210 50 55.56 203 159 57 14 19 21 112 51.6 19 M12 UC210 PK210 2.82
UCPK210-29 1-13/16 2-3/16 8 6-17/64 2-1/4 9/16 3/4 53/64 4-13/32 2.0315 0.748 7/16 UC210-29 PK210 2.94
UCPK210-30 1-7/8 2-3/16 8 6-17/64 2-1/4 9/16 3/4 53/64 4-13/32 2.0315 0.748 7/16 UC210-30 PK210 2.89
UCPK210-31 1-15/16 2-3/16 8 6-17/64 2-1/4 9/16 3/4 53/64 4-13/32 2.0315 0.748 7/16 UC210-31 PK210 2.84
UCPK210-32 2 2-3/16 8 6-17/64 2-1/4 9/16 3/4 53/64 4-13/32 2.0315 0.748 7/16 UC210-32 PK210 2.8
UCPK211 55 61.9 232 181 60 18 24 23 124 55.6 22.2 M14 UC211 PK211 3.61
UCPK211-32 2 2-1/4 9-9/64 7-1/8 2-23/64 45/64 15/16 29/32 4-7/8 2.1890 0.874 1/2 UC211-32 PK211 3.76
UCPK211-33 2-1/16 2-1/4 9-9/64 7-1/8 2-23/64 45/64 15/16 29/32 4-7/8 2.1890 0.874 1/2 UC211-33 PK211 3.7
UCPK211-34 2-1/8 2-1/4 9-9/64 7-1/8 2-23/64 45/64 15/16 29/32 4-7/8 2.1890 0.874 1/2 UC211-34 PK211 3.66
UCPK211-35 2-3/16 2-1/4 9-9/64 7-1/8 2-23/64 45/64 15/16 29/32 4-7/8 2.1890 0.874 1/2 UC211-35 PK211 3.59
UCPK212 60 68.3 241 191 64 18 24 25 136 65.1 25.4 M14 UC212 PK212 4.71
UCPK212-36 2-1/4 2-11/16 9-31/64 7-33/64 2-33/64 45/64 15/16 63/64 5-23/64 2.5630 1.000 1/2 UC212-36 PK212 4.84
UCPK212-37 2-5/16 2-11/16 9-31/64 7-33/64 2-33/64 45/64 15/16 63/64 5-23/64 2.5630 1.000 1/2 UC212-37 PK212 4.76
UCPK212-38 2-3/8 2-11/16 9-31/64 7-33/64 2-33/64 45/64 15/16 63/64 5-23/64 2.5630 1.000 1/2 UC212-38 PK212 4.69
UCPK212-39 2-7/16 2-11/16 9-31/64 7-33/64 2-33/64 45/64 15/16 63/64 5-23/64 2.5630 1.000 1/2 UC212-39 PK212 4.62
UCPK213 65 68.26 248 194 70 18 29 27 141 65.1 25.4 M14 UC213 PK213 5.24
UCPK213-40 2-1/2 2-11/16 9-49/64 7-41/64 2-3/4 45/64 1-9/64 1-1/16 5-9/16 2.5630 1.000 1/2 UC213-40 PK213 5.33
UCPK213-41 2-9/16 2-11/16 9-49/64 7-41/64 2-3/4 45/64 1-9/64 1-1/16 5-9/16 2.5630 1.000 1/2 UC213-41 PK213 5.24

Information

  • About Us
  • Contact us
  • Aplication

Quick Links

  • Pillow Block
  • Ball Bearing
  • Industrial Roller Chain

Quick Links

  • Sperical Roller Bearing
  • Tapper Bearing
  • Thrust Bearing

Contact

  • Address: 2423/1, Surekha Building, G.B Road, Delhi-110006 (India)
  • Phone: 91-11-23213777, 49099678
  • Email: lvzbearing@gmail.com

Newsletter Subscription

Subscribe us and get latest products info
© Continental Trading Company 2025-26 | Designed & Developed Eindiadeal

Donate us to achive our goal

Beguiled and demoralized by the charms of pleasure of the moment, so by desire,
that they cannot foresee.

Donor Information