Beguiled and demoralized by the charms of pleasure of the moment, so by desire,
that they cannot foresee.
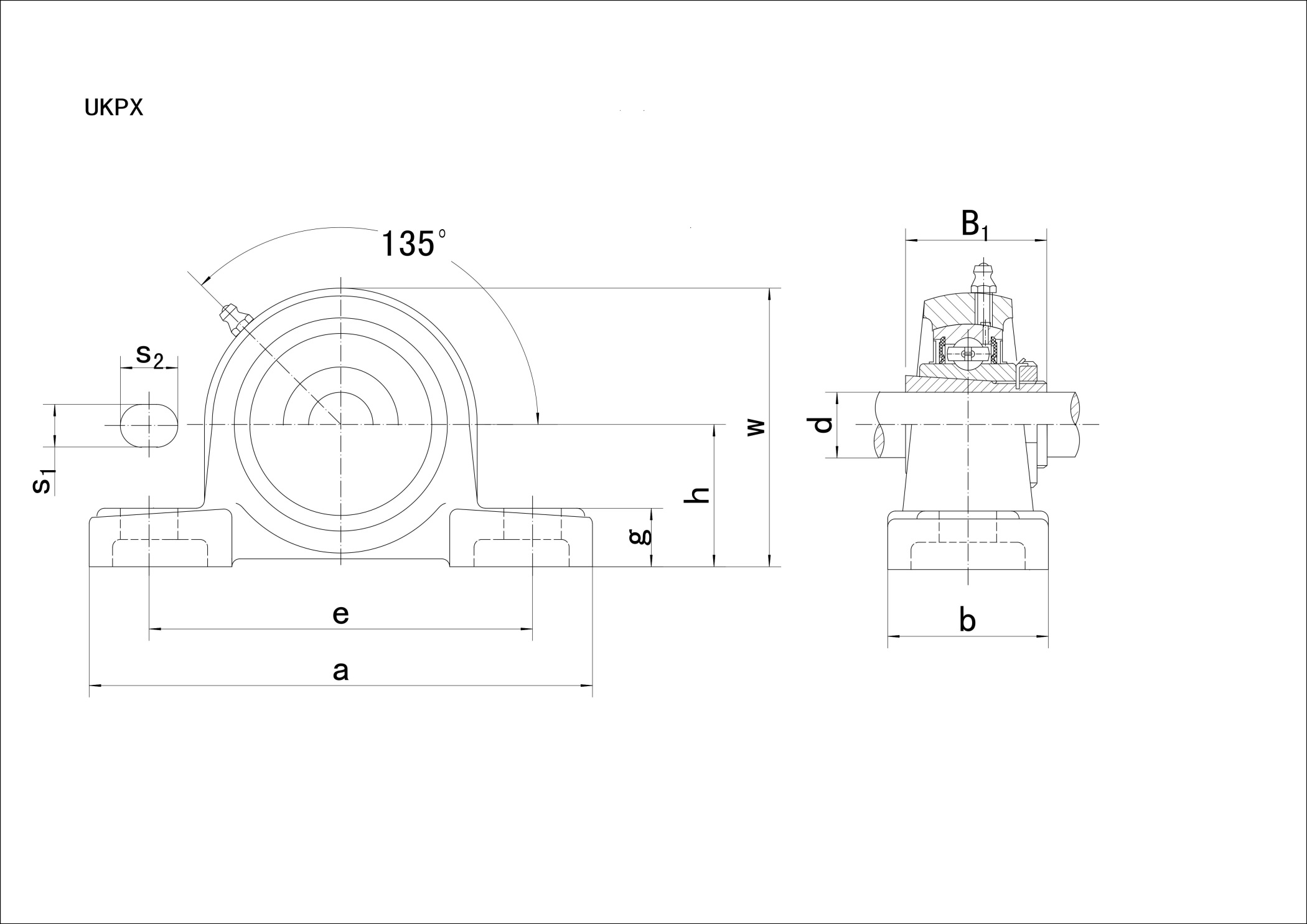
| Unit NO. | Dimensions ( mm / in. ) | Bolt Size mm/in. | Bearing No. | Housing No. | Weight (kg) | |||||||||
|---|---|---|---|---|---|---|---|---|---|---|---|---|---|---|
| d | h | a | e | b | s1 | s2 | g | w | B1 | |||||
| UKPX05;H2305 | 20 | 44.4 | 159 | 119 | 51 | 17 | 20 | 18 | 85 | 35 | M14 | UKX05;H2305 | PX05 | 1.33 |
| UKPX05;HE2305 | 3/4 | 1-3/4 | 6-1/4 | 4-11/16 | 2 | 43/64 | 25/32 | 23/32 | 3-11/32 | 1.378 | 1/2 | UKX05;HE2305 | PX05 | 1.33 |
| UKPX06;H2306 | 25 | 47.6 | 175 | 127 | 57 | 17 | 20 | 20 | 93 | 38 | M14 | UKX06;H2306 | PX06 | 1.75 |
| UKPX06;HS2306 | 7/8 | 1-7/8 | 6-7/8 | 5 | 2-1/4 | 43/64 | 25/32 | 25/32 | 3-21/32 | 1.496 | 1/2 | UKX06;HS2306 | PX06 | 1.75 |
| UKPX06;HE2306 | 1 | 1-7/8 | 6-7/8 | 5 | 2-1/4 | 43/64 | 25/32 | 25/32 | 3-21/32 | 1.496 | 1/2 | UKX06;HE2306 | PX06 | 1.75 |
| UKPX07;H2307 | 30 | 54 | 203 | 144 | 57 | 17 | 20 | 21 | 105 | 43 | M14 | UKX07;H2307 | PX07 | 2.33 |
| UKPX07;HS2307 | 1-1/8 | 2-1/8 | 8 | 5-21/32 | 2-1/4 | 43/64 | 25/32 | 13/16 | 4-1/8 | 1.693 | 1/2 | UKX07;HS2307 | PX07 | 2.33 |
| UKPX08;H2308 | 35 | 58.7 | 222 | 156 | 67 | 20 | 23 | 26 | 111 | 46 | M16 | UKX08;H2308 | PX08 | 2.89 |
| UKPX08;HE2308 | 1-1/4 | 2-5/16 | 8-3/4 | 6-5/32 | 2-5/8 | 25/32 | 29/32 | 1-1/32 | 4-3/8 | 1.811 | 5/8 | UKX08;HE2308 | PX08 | 2.89 |
| UKPX08;HS2308 | 1-3/8 | 2-5/16 | 8-3/4 | 6-5/32 | 2-5/8 | 25/32 | 29/32 | 1-1/32 | 4-3/8 | 1.811 | 5/8 | UKX08;HS2308 | PX08 | 2.89 |
| UKPX09;H2309 | 40 | 58.7 | 222 | 156 | 67 | 20 | 23 | 26 | 116 | 50 | M16 | UKX09;H2309 | PX09 | 3.25 |
| UKPX09;HA2309 | 1-7/16 | 2-5/16 | 8-3/4 | 6-5/32 | 2-5/8 | 25/32 | 29/32 | 1-1/32 | 4-9/16 | 1.969 | 5/8 | UKX09;HA2309 | PX09 | 3.25 |
| UKPX09;HE2309 | 1-1/2 | 2-5/16 | 8-3/4 | 6-5/32 | 2-5/8 | 25/32 | 29/32 | 1-1/32 | 4-9/16 | 1.969 | 5/8 | UKX09;HE2309 | PX09 | 3.25 |
| UKPX09;HS2309 | 1-5/8 | 2-5/16 | 8-3/4 | 6-5/32 | 2-5/8 | 25/32 | 29/32 | 1-1/32 | 4-9/16 | 1.969 | 5/8 | UKX09;HS2309 | PX09 | 3.25 |
| UKPX10;H2310 | 45 | 63.5 | 241 | 171 | 73 | 20 | 23 | 27 | 126 | 55 | M16 | UKX10;H2310 | PX10 | 4.22 |
| UKPX10;HS2310 | 1-5/8 | 2-1/2 | 9-1/2 | 6-47/64 | 2-7/8 | 25/32 | 29/32 | 1-1/16 | 4-31/32 | 2.165 | 5/8 | UKX10;HS2310 | PX10 | 4.22 |
| UKPX10;HA2310 | 1-11/16 | 2-1/2 | 9-1/2 | 6-47/64 | 2-7/8 | 25/32 | 29/32 | 1-1/16 | 4-31/32 | 2.165 | 5/8 | UKX10;HA2310 | PX10 | 4.22 |
| UKPX10;HE2310 | 1-3/4 | 2-1/2 | 9-1/2 | 6-47/64 | 2-7/8 | 25/32 | 29/32 | 1-1/16 | 4-31/32 | 2.165 | 5/8 | UKX10;HE2310 | PX10 | 4.22 |
| UKPX11;H2311 | 50 | 69.8 | 260 | 184 | 79 | 25 | 28 | 30 | 137 | 59 | M20 | UKX11;H2311 | PX11 | 5.24 |
| UKPX11;HS2311 | 1-7/8 | 2-3/4 | 10-1/4 | 7-1/4 | 3-1/8 | 31/32 | 1-3/32 | 1-3/16 | 5-13/32 | 2.323 | 3/4 | UKX11;HS2311 | PX11 | 5.24 |
| UKPX11;HA2311 | 1-15/16 | 2-3/4 | 10-1/4 | 7-1/4 | 3-1/8 | 31/32 | 1-3/32 | 1-3/16 | 5-13/32 | 2.323 | 3/4 | UKX11;HA2311 | PX11 | 5.24 |
| UKPX11;HE2311 | 2 | 2-3/4 | 10-1/4 | 7-1/4 | 3-1/8 | 31/32 | 1-3/32 | 1-3/16 | 5-13/32 | 2.323 | 3/4 | UKX11;HE2311 | PX11 | 5.24 |
| UKPX12;H2312 | 55 | 76.2 | 286 | 203 | 83 | 25 | 28 | 33 | 151 | 62 | M20 | UKX12;H2312 | PX12 | 6.51 |
| UKPX12;HS2312 | 2-1/8 | 3 | 11-1/4 | 8 | 3-9/32 | 63/64 | 1-3/32 | 1-5/16 | 5-15/16 | 2.441 | 3/4 | UKX12;HS2312 | PX12 | 6.51 |
| UKPX13;H2313 | 60 | 76.2 | 286 | 203 | 83 | 25 | 28 | 33 | 154 | 65 | M20 | UKX13;H2313 | PX13 | 6.93 |
| UKPX13;HA2313 | 2-3/16 | 3 | 11-1/4 | 8 | 3-9/32 | 63/64 | 1-3/32 | 1-5/16 | 6-1/16 | 2.559 | 3/4 | UKX13;HA2313 | PX13 | 6.93 |
| UKPX13;HE2313 | 2-1/4 | 3 | 11-1/4 | 8 | 3-9/32 | 63/64 | 1-3/32 | 1-5/16 | 6-1/16 | 2.559 | 3/4 | UKX13;HE2313 | PX13 | 6.93 |
| UKPX13;HS2313 | 2-3/8 | 3 | 11-1/4 | 8 | 3-9/32 | 63/64 | 1-3/32 | 1-5/16 | 6-1/16 | 2.559 | 3/4 | UKX13;HS2313 | PX13 | 6.93 |
| UKPX15;H2315 | 65 | 88.9 | 330 | 229 | 89 | 27 | 30 | 35 | 175 | 73 | M22 | UKX15;H2315 | PX15 | 9.4 |
| UKPX15;HA2315 | 2-7/16 | 3-1/2 | 13 | 9-1/32 | 3-1/2 | 1-1/16 | 1-3/16 | 1-3/8 | 6-7/8 | 2.874 | 7/8 | UKX15;HA2315 | PX15 | 9.4 |
| UKPX15;HS2315 | 2-1/2 | 3-1/2 | 13 | 9-1/32 | 3-1/2 | 1-1/16 | 1-3/16 | 1-3/8 | 6-7/8 | 2.874 | 7/8 | UKX15;HS2315 | PX15 | 9.4 |
| UKPX16;H2316 | 70 | 101.6 | 381 | 283 | 102 | 27 | 30 | 40 | 194 | 78 | M22 | UKX16;H2316 | PX16 | 13.32 |
| UKPX16;HA2316 | 2-11/16 | 4 | 15 | 11-5/32 | 4-1/32 | 1-1/16 | 1-3/16 | 1-9/16 | 7-5/8 | 3.071 | 7/8 | UKX16;HA2316 | PX16 | 13.32 |
| UKPX16;HS2316 | 2-3/4 | 4 | 15 | 11-5/32 | 4-1/32 | 1-1/16 | 1-3/16 | 1-9/16 | 7-5/8 | 3.071 | 7/8 | UKX16;HS2316 | PX16 | 13.32 |
| UKPX17;H2317 | 75 | 101.6 | 381 | 283 | 102 | 27 | 30 | 40 | 200 | 82 | M22 | UKX17;H2317 | PX17 | 14.55 |
| UKPX17;HA2317 | 2-15/16 | 4 | 15 | 11-5/32 | 4-1/32 | 1-1/16 | 1-3/16 | 1-9/16 | 7-7/8 | 3.228 | 7/8 | UKX17;HA2317 | PX17 | 14.55 |
| UKPX17;HE2317 | 3 | 4 | 15 | 11-5/32 | 4-1/32 | 1-1/16 | 1-3/16 | 1-9/16 | 7-7/8 | 3.228 | 7/8 | UKX17;HE2317 | PX17 | 14.55 |
| UKPX18;H2318 | 80 | 101.6 | 381 | 283 | 111 | 27 | 30 | 40 | 206 | 86 | M22 | UKX18;H2318 | PX18 | 16.26 |
| UKPX18;HA2318 | 3-3/16 | 4 | 15 | 11-5/32 | 4-3/8 | 1-1/16 | 1-3/16 | 1-9/16 | 8-1/8 | 3.386 | 7/8 | UKX18;HA2318 | PX18 | 16.26 |
| UKPX20;H2320 | 90 | 127 | 432 | 337 | 121 | 33 | 36 | 45 | 244 | 97 | M27 | UKX20;H2320 | PX20 | 23.86 |
| UKPX20;HA2320 | 3-1/2 | 5 | 17 | 13-9/32 | 4-3/4 | 1-5/16 | 1-13/32 | 1-25/32 | 9-5/8 | 3.819 | 1 | UKX20;HA2320 | PX20 | 23.86 |